Хостинг и техническая поддержка -- компания Маглан
автоклуб M49

Здравствуйте, гость ( Вход | Регистрация )

CТО "АКПП Сервис", Обслуживание,диагностика и ремонт АКПП
"АКПП Сервис"
сообщение 6.7.2012, 13:49
Сообщение #1676


Группа: Участник
Сообщений: 3
Спасибо:




СТО "АКПП Сервис"


Замена жидкости АКПП с промывкой,с щупом и без.Профессиональная диагностика и ремонт АКПП

Всегда в наличии полный ассортимент жидкостей,фильтров,прокладок поддонов для АКПП.

А также трансмиссионные масла и запчасти для АКПП в наличии и под заказ.


Любая форма оплаты.

График работы с 10 до 19 часов,суббота с 11 до 17 часов,воскресенье выходной.
Прикрепленное изображение


т.210-181,+7914-86-88-702






--------------------
Только у нас производится ремонт гидротрансформаторов АКПП.Промывка теплообменников и радиаторов АКПП,замена маселДВС,редукторов и раздатки.Всегда в наличии моторные масла и фильтра ДВС.
Желающие обслуживать свой автомобиль самостоятельно, могут приобрести расходники(фильтра и прокладки) и тех.жидкости у нас на сервисе.Любые новые зап.части,детали интерьера и экстерьера авто привезём "под заказ".



Диагностика а/м марок GMC,Chevrolet,Opel,Hummer,BMW,MINI,Rolls-Royce дилерским сканером.

А также,производятся сварочные работы.Звонить по тел. 210-282
Перейти в начало страницы
 
+
72 страниц V  « < 66 67 68 69 70 > »   
Начать новую тему
Ответов
JUDGE
сообщение 2.10.2017, 11:29
Сообщение #1677


Группа: Активный участник
Сообщений: 398
Спасибо: 95




Добрый день.

При полной замене АТФ в АКПП, фильтр сетка постоянно моется. Имеет смысл в будущем данный фильтр сменить? Или все таки достаточно того, что его каждый раз моете.

Сообщение отредактировал JUDGE - 2.10.2017, 11:30
Перейти в начало страницы
 
+
machucha
сообщение 3.10.2017, 11:14
Сообщение #1678


Группа: Активный участник
Сообщений: 8611
Спасибо: 2193




JUDGE, Здравствуйте.Смысл есть.

Сообщение отредактировал machucha - 4.10.2017, 10:23


--------------------
Вопросы по АКПП +7(914)863-5O-38 ,+7(924)858-O1-81 с 10 до 19 часов.
СТО "АКПП Сервис" -это ссылка
новые зап.части под заказ.
Спасибо! — JUDGE
Перейти в начало страницы
 
+
Jumanji
сообщение 3.10.2017, 13:42
Сообщение #1679


Группа: Активный участник
Сообщений: 5295
Спасибо: 3238




machucha, Сколько будет стоить замена жидкости в АКПП Крузак 100 2004 года масло WS? Стоимость жидкости и замены фильтра и прокладки. (Фильтр и прокладка свои)


--------------------
Вырасту стану джипом!!!!!
тел. 9148522501 (позывной 02 или ДЖУМ рация Vector - 48 W)
мыло: jumanji.magadan@yandex.ru

Перейти в начало страницы
 
+
machucha
сообщение 3.10.2017, 15:00
Сообщение #1680


Группа: Активный участник
Сообщений: 8611
Спасибо: 2193




по работе 5 т.р.,жидкости,примерно,на 13 т.р.,если несильно грязная.


--------------------
Вопросы по АКПП +7(914)863-5O-38 ,+7(924)858-O1-81 с 10 до 19 часов.
СТО "АКПП Сервис" -это ссылка
новые зап.части под заказ.
Спасибо! — Jumanji
Перейти в начало страницы
 
+
alf
сообщение 11.10.2017, 1:56
Сообщение #1681


Группа: Участник
Сообщений: 9
Спасибо: 1

Авто: Toyota Vista 92



Здравствуйте.
Сколько будет стоить замена жидкости в АКПП Сузуки Эскудо 1998 года? Стоимость жидкости и замены фильтра и прокладки.
Фильтр и прокладка имеются
Перейти в начало страницы
 
+
machucha
сообщение 11.10.2017, 10:16
Сообщение #1682


Группа: Активный участник
Сообщений: 8611
Спасибо: 2193




Здравствуйте.По работе 4500 руб.,жидкости,примерно,на 5500 р.


--------------------
Вопросы по АКПП +7(914)863-5O-38 ,+7(924)858-O1-81 с 10 до 19 часов.
СТО "АКПП Сервис" -это ссылка
новые зап.части под заказ.
Перейти в начало страницы
 
+
Axel
сообщение 11.10.2017, 18:46
Сообщение #1683


Группа: Активный участник
Сообщений: 2846
Спасибо: 700




Добрый день. Подсксжите по такому вопросу. Авто гранд витара xl7, акпп пятиступенчатая.
После разгона, если отпустить газ, обычно машины катятся хорошо, обороты холостые, а тут как будто торможение двигателем, обороты сами растут... это проблемы с акпп или нормальное явление?..


--------------------
телефонов больше нет, шифруюсь от всех :)
Перейти в начало страницы
 
+
machucha
сообщение 11.10.2017, 19:22
Сообщение #1684


Группа: Активный участник
Сообщений: 8611
Спасибо: 2193




Здравствуйте.Надо прокатиться на ней.На "D" не должно быть эффекта торможения двигателем.


--------------------
Вопросы по АКПП +7(914)863-5O-38 ,+7(924)858-O1-81 с 10 до 19 часов.
СТО "АКПП Сервис" -это ссылка
новые зап.части под заказ.
Перейти в начало страницы
 
+
толик 49
сообщение 12.10.2017, 13:03
Сообщение #1685


Группа: Активный участник
Сообщений: 369
Спасибо: 219




Здравствуйте
Машина Мазда Бонго Френди

Перестал блокироваться ГТ

Пробовал сам считать коды ошибок через разъем,
По лампочке, получается все нормально, нет ошибок.

Явно проблема с электрической частью, нет команды на блокировку.

Как Вы проводите диагностику?
Есть ли смысл её проводить, через этот же разъем у Вас?

Жидкость менял примерно 20000км. назад.
Перейти в начало страницы
 
+
machucha
сообщение 13.10.2017, 10:29
Сообщение #1686


Группа: Активный участник
Сообщений: 8611
Спасибо: 2193




Здравствуйте.Если проблема явно с электрической частью,то почему нет ошибок?Сколько оборотов двигателя при 80 км/ч?


--------------------
Вопросы по АКПП +7(914)863-5O-38 ,+7(924)858-O1-81 с 10 до 19 часов.
СТО "АКПП Сервис" -это ссылка
новые зап.части под заказ.
Перейти в начало страницы
 
+
толик 49
сообщение 13.10.2017, 11:29
Сообщение #1687


Группа: Активный участник
Сообщений: 369
Спасибо: 219




Ну может и не электрическая часть виновата, я ж не спец.
Но блокировка пропадает на полностью прогретой коробке.
Пока она не очень горячая, блокировка есть.

Обороты при заблокированном ГТ 2000 при 80км.ч.
Если блокировка слетает, то и 3000 может быть и выше.
Перейти в начало страницы
 
+
machucha
сообщение 13.10.2017, 11:34
Сообщение #1688


Группа: Активный участник
Сообщений: 8611
Спасибо: 2193




3000 оборотов-может нет 4й передачи,всё-таки?

PS надо прокатиться на машине


--------------------
Вопросы по АКПП +7(914)863-5O-38 ,+7(924)858-O1-81 с 10 до 19 часов.
СТО "АКПП Сервис" -это ссылка
новые зап.части под заказ.
Перейти в начало страницы
 
+
толик 49
сообщение 13.10.2017, 13:40
Сообщение #1689


Группа: Активный участник
Сообщений: 369
Спасибо: 219




Я с деревни
Поэтому и пишу,
Машиной пользуюсь три года и алгоритм работы коробки вроде как немного знаю. Это я про то какая передача включена.
Если есть ватсап, киньте номер в личку, я скину видео 40сек.
Но наверно все равно придется к Вам гнать,
Сам ума ей дать никак не могу
Перейти в начало страницы
 
+
machucha
сообщение 13.10.2017, 14:31
Сообщение #1690


Группа: Активный участник
Сообщений: 8611
Спасибо: 2193




+7(924)853-6O-51


--------------------
Вопросы по АКПП +7(914)863-5O-38 ,+7(924)858-O1-81 с 10 до 19 часов.
СТО "АКПП Сервис" -это ссылка
новые зап.части под заказ.
Перейти в начало страницы
 
+
Axel
сообщение 13.10.2017, 14:46
Сообщение #1691


Группа: Активный участник
Сообщений: 2846
Спасибо: 700




Цитата(machucha @ 11.10.2017, 19:22) *
Здравствуйте.Надо прокатиться на ней.На "D" не должно быть эффекта торможения двигателем.

Я тогда батю отправлю к Вам. Как я понял телефон чуть выше написан.


--------------------
телефонов больше нет, шифруюсь от всех :)
Перейти в начало страницы
 
+
Axel
сообщение 20.10.2017, 15:00
Сообщение #1692


Группа: Активный участник
Сообщений: 2846
Спасибо: 700




Добрый день!
На днях мы с отцом заезжали на витаре xl7, и зашел разговор по поводу фильтра в акпп. Помогите разобраться.
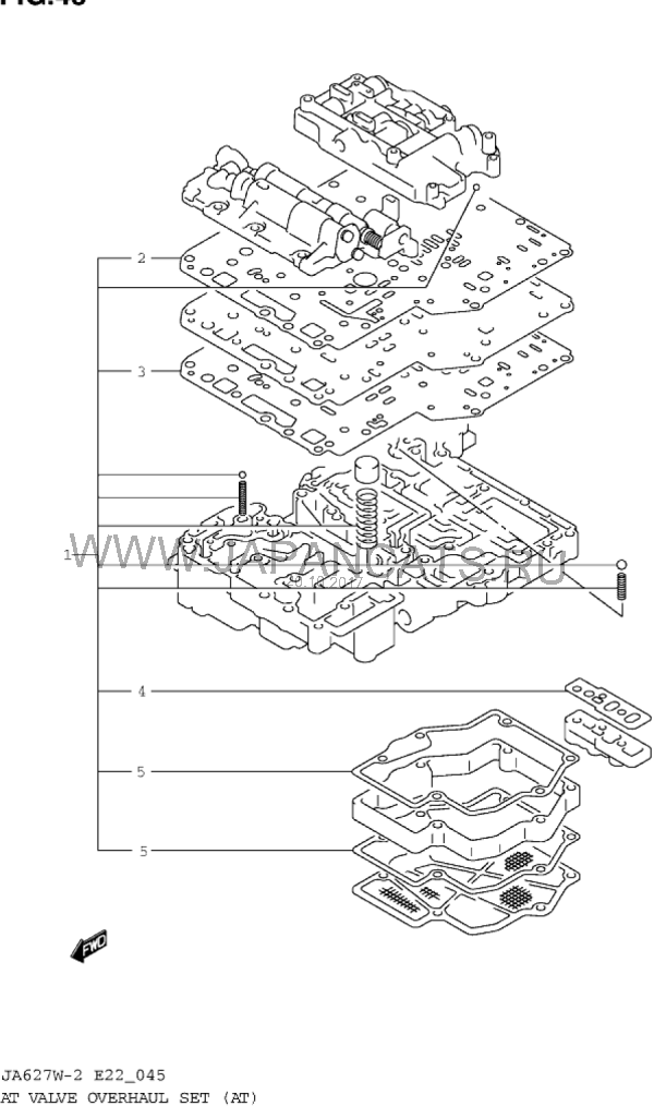
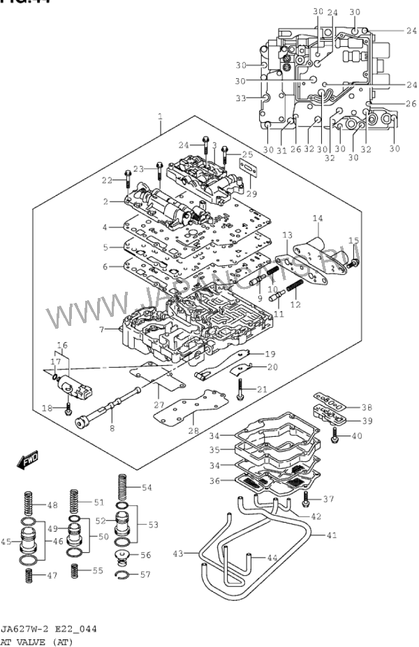
Залез в каталоги japancats.ru.
По vin номеру нашел нашу витару, ей соответствует раздел JA627W-2 E02,21,22(UK, EC, Germany)
Прикрепленное изображение


Начал искать фильтр, но не нашел...

По запросу "фильтр АКПП grand vitara xl-7" гугл выдал номер 26570-54J10. Через exist.ru, нажав "показать на схеме" нашел в каком разделе он находится - раздел [69] AT Клапан (АТ).
Прикрепленное изображение

Но выяснилось, что это справедливо для раздела JA627W-4 E02,22 (UK, Germany).
Прикрепленное изображение

В соответствующем разделе JA627W-2 E02,21,22(UK, EC, Germany) фильтра нету...
Прикрепленное изображение


Вот отсюда вопрос, где на последней схеме фильтра для нашей кпп? А то мы его закажем, а окажется что его там нету...

Благодарю за внимание.

Сейчас залез в раздел AT Ремкомплект клапанов (для моей модификации) и нашел там схему

Прикрепленное изображение

Под цифрами 5 есть номер 26583-57B00, exist.ru говорит что это прокладка фильтра АКПП. Получается, что на этой модификации стоит обычная открытая сетка, которую можно помыть, а не менять?


--------------------
телефонов больше нет, шифруюсь от всех :)
Перейти в начало страницы
 
+
machucha
сообщение 21.10.2017, 19:36
Сообщение #1693


Группа: Активный участник
Сообщений: 8611
Спасибо: 2193




Axel, Здравствуйте.Не совсем понимаю,зачем такие сложности.Фильтр на вашу кпп стОит у нас 2000р.


--------------------
Вопросы по АКПП +7(914)863-5O-38 ,+7(924)858-O1-81 с 10 до 19 часов.
СТО "АКПП Сервис" -это ссылка
новые зап.части под заказ.
Перейти в начало страницы
 
+
Bobuk
сообщение 6.12.2017, 10:51
Сообщение #1694


Группа: Активный участник
Сообщений: 317
Спасибо: 18




Поменяли вчера на ардео масло с фильтром в АКПП, появились пинки с 1й на 2ю. Какая может быть причина ?

Сообщение отредактировал Bobuk - 6.12.2017, 11:10
Перейти в начало страницы
 
+
machucha
сообщение 6.12.2017, 10:58
Сообщение #1695


Группа: Активный участник
Сообщений: 8611
Спасибо: 2193




С заменой жидкости в кпп это не связано.


--------------------
Вопросы по АКПП +7(914)863-5O-38 ,+7(924)858-O1-81 с 10 до 19 часов.
СТО "АКПП Сервис" -это ссылка
новые зап.части под заказ.
Перейти в начало страницы
 
+
Bobuk
сообщение 6.12.2017, 11:14
Сообщение #1696


Группа: Активный участник
Сообщений: 317
Спасибо: 18




Цитата
С заменой жидкости в кпп это не связано.

То есть я избранный и это не связано с тем, что до этого было жикости больше ?
Перейти в начало страницы
 
+
machucha
сообщение 6.12.2017, 11:18
Сообщение #1697


Группа: Активный участник
Сообщений: 8611
Спасибо: 2193




нет,не избранный,а вот завышенный уровень мог повлиять на дальнейшую работу кпп


--------------------
Вопросы по АКПП +7(914)863-5O-38 ,+7(924)858-O1-81 с 10 до 19 часов.
СТО "АКПП Сервис" -это ссылка
новые зап.части под заказ.
Перейти в начало страницы
 
+
Bobuk
сообщение 13.12.2017, 1:28
Сообщение #1698


Группа: Активный участник
Сообщений: 317
Спасибо: 18




Цитата
Поменяли вчера на ардео масло с фильтром в АКПП, появились пинки с 1й на 2ю. Какая может быть причина ?

прошла неделя акпп разработалась, пинков нет.
Можно вопрос, а какую жидкость вы залили в 3S акпп ?
Перейти в начало страницы
 
+
machucha
сообщение 13.12.2017, 10:39
Сообщение #1699


Группа: Активный участник
Сообщений: 8611
Спасибо: 2193




а бирку я не наклеил на стойку,где водительская дверь?

PS залито Toyota T-IV


--------------------
Вопросы по АКПП +7(914)863-5O-38 ,+7(924)858-O1-81 с 10 до 19 часов.
СТО "АКПП Сервис" -это ссылка
новые зап.части под заказ.
Перейти в начало страницы
 
+
zverek
сообщение 13.12.2017, 20:36
Сообщение #1700


Группа: Активный участник
Сообщений: 224
Спасибо: 81




доброго дня. Подскажите Вы карданные валы не балансируете случаем?
Перейти в начало страницы
 
+
machucha
сообщение 13.12.2017, 21:55
Сообщение #1701


Группа: Активный участник
Сообщений: 8611
Спасибо: 2193




приветствую.мы нет,на 4км гаражи полиции где


--------------------
Вопросы по АКПП +7(914)863-5O-38 ,+7(924)858-O1-81 с 10 до 19 часов.
СТО "АКПП Сервис" -это ссылка
новые зап.части под заказ.
Спасибо! — zverek
Перейти в начало страницы
 
+

72 страниц V  « < 66 67 68 69 70 > » 
Быстрый ответОтветить в данную темуНачать новую тему
3 чел. читают эту тему (гостей: 3, скрытых пользователей: 0)
Пользователей: 0

 



RSS Текстовая версия Сейчас: 19.12.2025, 10:51