Хостинг и техническая поддержка -- компания Маглан
автоклуб M49

Здравствуйте, гость ( Вход | Регистрация )

2 страниц V   1 2 >  
Ответить в данную темуНачать новую тему
подогрев сиденья, установка включателя на подогрев
VITOLD
сообщение 20.9.2010, 20:01
Сообщение #1


Группа: Активный участник
Сообщений: 3354
Спасибо: 905




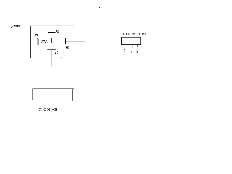
Хочу подключить накидку-подогрев на сиденье через включатель. Помогите разобраться со схемой подключения через реле.

Включатель с подсветкой.

Сообщение отредактировал VITOLD - 20.9.2010, 20:03
Прикрепленные файлы
Прикрепленный файл  схема.bmp ( 1.3 мегабайт ) Кол-во скачиваний: 689
 


--------------------
89148пять2пять4пять0 - Виталий

Перейти в начало страницы
 
+
megavolt
сообщение 21.9.2010, 1:02
Сообщение #2


Группа: Активный участник
Сообщений: 1483
Спасибо: 789




все легко, 30-"+12В от АКБ", 87-"нормальноразомкнутый контакт реле(к грелке)", что касаемо остального, есть два варианта - вариант №1: 85-к 30, 86- выключатель - масса; вариант №2(если выключатель 12В и в нем есть лампочка и хочется чтобы она работала) 86-масса, 85 - выключатель - +12В. на выключателе 1, 2, 3 очень быстро определяется мультиметром(или прозвонкой). если возникнут сложности, позвони, встретимся, пальцем покажу....



--------------------
Не играйте с током, не испытывайте кто победит, ток или вы...
на всякий случай: +79148502202 сюда звонить, не спрашивать в теме, а звонить... это номер телефона... моего телефона... если набрать эти цифробуквы, то я скорее всего отвечу... это буду я...
п.с. если не отвечаю, то либо сплю, либо на мотоцикле, звоните еще раз.
Позывной в LPD: мегавольт (Joker TK-450S)
Спасибо! — VITOLD
Перейти в начало страницы
 
+
ObiVan
сообщение 19.12.2017, 15:35
Сообщение #3


Группа: Активный участник
Сообщений: 1115
Спасибо: 657




Подбираю себе подогрев сидений. Нужны отзывы!

В магазине есть Горыныч и iSky. Что скажите?

В Приоритете подогреватель из углеволокна, с термо выключателем, пультом вкл/откл.


--------------------
Choose what is right, not what is easy. Ordnung und arbeiten. Do the best you can and no regrets.
Половина усилий даст не половину результата, а нулевой результат.
Когда все крысы убежали, корабль перестал тонуть" (с)
Перейти в начало страницы
 
+
VITOLD
сообщение 19.12.2017, 15:46
Сообщение #4


Группа: Активный участник
Сообщений: 3354
Спасибо: 905




Горыныч с нагревателем провод.

В китайском 90% тоже, судя по цене.

Наши Емеля, Снегирь с подогревателем из углеволокна.

Есть подогрев переделанный под подключение через кнопу. Б/у мало, подарили меховые чехлы.

Сообщение отредактировал VITOLD - 19.12.2017, 15:55


--------------------
89148пять2пять4пять0 - Виталий

Перейти в начало страницы
 
+
kolbasatnik
сообщение 19.12.2017, 16:18
Сообщение #5


Группа: Активный участник
Сообщений: 2960
Спасибо: 1189




Пользуюсь третий год Емелей с выключателем-переключателем уровней. Пока все устранивает


--------------------
АвтоМобиль СГВ XL-7 2003 г.в., 2,7 л. АКПП
Ну, ты, звони, ежели чего.... 91Ч852О655
Перейти в начало страницы
 
+
Gari
сообщение 19.12.2017, 17:04
Сообщение #6


Группа: Активный участник
Сообщений: 2718
Спасибо: 758




На предидущей машине 2 года пользовался двумя Емелями-2, хорошо работали. Продал вместе с машиной, может до сих пор работают.

В теперешней машине тоже около 2-х лет работает, всё отлично. Недавно купил подогрев Емелька - специально для детского кресла. Собираюсь заказать (в Магадане их нет) ещё 2 Емели-3 на остальные 2 места. В общем за годы пользования этой маркой - весьма доволен их продукцией.
Перейти в начало страницы
 
+
Юлия
сообщение 19.12.2017, 17:18
Сообщение #7


Группа: Активный участник
Сообщений: 4837
Спасибо: 3294




У меня подогрев AUTOPROFI Жара. Одевается чехлом. Есть пульт с кнопками: вкл\выкл, таймер (через 30 мин выключается) и подогрев спины и попы (градусы можно регулировать от 0 до 40). Греет очень хорошо. Один минус-не включается при заводе машины с пульта. Но это не критично. Я довольна.))


--------------------



Перейти в начало страницы
 
+
kolbasatnik
сообщение 19.12.2017, 17:27
Сообщение #8


Группа: Активный участник
Сообщений: 2960
Спасибо: 1189




А никто не пробовал включить, например, Емелю через доп. канал сигналки?


--------------------
АвтоМобиль СГВ XL-7 2003 г.в., 2,7 л. АКПП
Ну, ты, звони, ежели чего.... 91Ч852О655
Перейти в начало страницы
 
+
Filmor
сообщение 19.12.2017, 17:42
Сообщение #9


Группа: Активный участник
Сообщений: 13560
Спасибо: 10123

Авто: UAZ 3163 Patriot 2021 Intrea Yedoo Mezeq 2012



А зачем? Нет человека – нет подогрева. Считаю, что это правильно.


--------------------
Политики – словно подгузники. Их надо почаще менять. И по той же причине.
"Плохую власть выбирают хорошие люди, которые не ходят на выборы". Winston Churchill ©
"Не все люди знают реальную ситуацию в мире, экономике и безопасности.
Многие обыватели верят тому, что они читают в газетах и видят по телевизору. И меня это беспокоит".
С.Б. Иванов ©
Еду на Yedoo!

Перейти в начало страницы
 
+
STARGAZER
сообщение 19.12.2017, 17:53
Сообщение #10


Группа: Активный участник
Сообщений: 6236
Спасибо: 6138

Авто: Toyota Tacoma 4.0 2007 Access cab



Filmor, не скажи. Соприкоснуться попой в джинсах на босу ногу, с только что включенным подогревом и и сделать тоже самое с подогревом включенным заранее, это две большие разницы.

Цитата(kolbasatnik @ 19.12.2017, 17:27) *
А никто не пробовал включить, например, Емелю через доп. канал сигналки?

Вообще никаких проблем. Реле+канал=счастье.

Сообщение отредактировал STARGAZER - 19.12.2017, 19:23


--------------------
Спасибо! — Filmor rusinchic
Перейти в начало страницы
 
+
Filmor
сообщение 19.12.2017, 18:00
Сообщение #11


Группа: Активный участник
Сообщений: 13560
Спасибо: 10123

Авто: UAZ 3163 Patriot 2021 Intrea Yedoo Mezeq 2012



STARGAZER, как по мне, так вообще странно носить джинсы зимой.
Разницу между тёплым креслом и холодным знаю wink.gif


--------------------
Политики – словно подгузники. Их надо почаще менять. И по той же причине.
"Плохую власть выбирают хорошие люди, которые не ходят на выборы". Winston Churchill ©
"Не все люди знают реальную ситуацию в мире, экономике и безопасности.
Многие обыватели верят тому, что они читают в газетах и видят по телевизору. И меня это беспокоит".
С.Б. Иванов ©
Еду на Yedoo!

Перейти в начало страницы
 
+
kolbasatnik
сообщение 19.12.2017, 18:00
Сообщение #12


Группа: Активный участник
Сообщений: 2960
Спасибо: 1189




А если руки растут не оттуда у владельца???


--------------------
АвтоМобиль СГВ XL-7 2003 г.в., 2,7 л. АКПП
Ну, ты, звони, ежели чего.... 91Ч852О655
Перейти в начало страницы
 
+
Filmor
сообщение 19.12.2017, 18:02
Сообщение #13


Группа: Активный участник
Сообщений: 13560
Спасибо: 10123

Авто: UAZ 3163 Patriot 2021 Intrea Yedoo Mezeq 2012



kolbasatnik, а вот к ссылка доступна только зарегистрированным и обращайся. smile.gif

Хотя если руки и ноги с одного места, то зачем подогрев? laugh.gif


--------------------
Политики – словно подгузники. Их надо почаще менять. И по той же причине.
"Плохую власть выбирают хорошие люди, которые не ходят на выборы". Winston Churchill ©
"Не все люди знают реальную ситуацию в мире, экономике и безопасности.
Многие обыватели верят тому, что они читают в газетах и видят по телевизору. И меня это беспокоит".
С.Б. Иванов ©
Еду на Yedoo!

Спасибо! — kolbasatnik STARGAZER
Перейти в начало страницы
 
+
kolbasatnik
сообщение 19.12.2017, 18:07
Сообщение #14


Группа: Активный участник
Сообщений: 2960
Спасибо: 1189




так садиться то приходится тем местом, которое между руками и ногами частично, а брюки тоже на босу ногу


--------------------
АвтоМобиль СГВ XL-7 2003 г.в., 2,7 л. АКПП
Ну, ты, звони, ежели чего.... 91Ч852О655
Перейти в начало страницы
 
+
STARGAZER
сообщение 19.12.2017, 18:10
Сообщение #15


Группа: Активный участник
Сообщений: 6236
Спасибо: 6138

Авто: Toyota Tacoma 4.0 2007 Access cab



Filmor, да. Вот у меня есть любимые джинсы, капец какие удобные и сшиты будто на заказ. Но вот незадача, на термобелье не лезут уже. Надеваю на босу ногу. Вот например в театр я иду в брюках без термобелья. Машина стоит на улице несколько часов, запускаю сначала вебастой, потом двигатель, потом подогрев сидений. Вообще отлично.
А если надеть пять штанов по случаю мороза, то уже будет всё равно, до посадки включён подогрев или после. biggrin.gif


--------------------
Спасибо! — Filmor
Перейти в начало страницы
 
+
ObiVan
сообщение 19.12.2017, 22:15
Сообщение #16


Группа: Активный участник
Сообщений: 1115
Спасибо: 657




Есть мнение что обогрев на углеродном волокне безопаснее проводного обогревателя. Будто проводные прожигают оббивку сиденья.

Сообщение отредактировал ObiVan - 19.12.2017, 22:47


--------------------
Choose what is right, not what is easy. Ordnung und arbeiten. Do the best you can and no regrets.
Половина усилий даст не половину результата, а нулевой результат.
Когда все крысы убежали, корабль перестал тонуть" (с)
Перейти в начало страницы
 
+
VITOLD
сообщение 19.12.2017, 23:49
Сообщение #17


Группа: Активный участник
Сообщений: 3354
Спасибо: 905




Проводные быстрее перегарают. Был такой, на вторую зиму перегорел, пытался паять греющий провод, но не надолго хватило. Купил Снегирь с углеродным обогревательным элементом.


--------------------
89148пять2пять4пять0 - Виталий

Перейти в начало страницы
 
+
Gari
сообщение 20.12.2017, 1:10
Сообщение #18


Группа: Активный участник
Сообщений: 2718
Спасибо: 758




Я сколько не пробовал заранее включать поджопник - садясь не особо определяешь разницу, т.е. на мой взгляд эффект минимальный - всё тепло улетучивается. А чтобы прогреть находящееся под ним сиденье - потребуется значительное время, т.к. тепло поднимается вверх ...
Емеля мне чем нравится - что он быстро нагревается. Даже садясь в абсолютно холодный авто в мороз - ему в принципе достаточно 30 секунд, чтобы попе и почкам стало терпимо сидеть, но при нагреве надо вовремя отключать - чересчур нагревает. У брата какой-то другой фирмы стоит (не помню какой) - намного дольше греет, но при нагреве нет необходимости отключать - более комфортная пиковая температура.

P.S.: я вообще не понимаю - как люди переносят холод от сидений в авто без встроенных, либо накидных подогревов задниц. Эксперементировал достаточное время раскочегаривать температуру в салоне после ночной стоянки - сиденья один хрен ледяные.


А в итоге - мужские болезни, почки, спина ...
Перейти в начало страницы
 
+
Voldemar
сообщение 20.12.2017, 1:43
Сообщение #19


Группа: Активный участник
Сообщений: 4937
Спасибо: 5240




Цитата(Gari @ 20.12.2017, 0:10) *
...я вообще не понимаю - как люди переносят холод от сидений в авто без встроенных, либо накидных подогревов задниц.

Сиденья разные... Во многих современных - какой то пластик гольный, даже со встроенным обогревом - нифига не комфортно...
Старые, на тканевой основе - при предварительном прогреве авто нормально воспринимаются...
А с накидкой из натуральной норковой шубы - в принципе, даже без прогрева авто (если вдруг срочно надо) терпимо, с прогревом - вообще не парюсь, вполне комфортно...Вобщем, необходимости не испытываю в электроподогреве...

Сообщение отредактировал Voldemar - 20.12.2017, 1:46


--------------------
И только когда жизнь его стала клониться к закату, человек понял главную истину. Жизнь не имеет смысла. Смысл – это жёсткие рамки, в которые мы загоняем друг друга. Говорим – смысл в деньгах. Говорим – смысл в любви. Говорим – смысл в вере. Но всё это – лишь рамки. В жизни нет смысла – и это её высший смысл и высшая ценность. В жизни нет финала, к которому ты обязан прийти – и это важнее тысячи придуманных смыслов. (С)
Перейти в начало страницы
 
+
Gari
сообщение 20.12.2017, 2:30
Сообщение #20


Группа: Активный участник
Сообщений: 2718
Спасибо: 758




Где ж столько шуб взять !? Барские замашки rolleyes.gif
Перейти в начало страницы
 
+
Babay
сообщение 20.12.2017, 7:08
Сообщение #21


Группа: Активный участник
Сообщений: 756
Спасибо: 323

Авто: TLC Prado VZJ95



Цитата(kolbasatnik @ 19.12.2017, 15:27) *
А никто не пробовал включить, например, Емелю через доп. канал сигналки?

Пробовал. Реле - грубо, для электриков. Надо двухканальный оптрон (два сидения) в включением в максимальный режим для прогрева и последующим переходом в заранее установленный режим. Жена довольна. Да, кстати - Емеля-2. Оптронов могу дать.
Перейти в начало страницы
 
+
Filmor
сообщение 20.12.2017, 8:32
Сообщение #22


Группа: Активный участник
Сообщений: 13560
Спасибо: 10123

Авто: UAZ 3163 Patriot 2021 Intrea Yedoo Mezeq 2012



Цитата
я вообще не понимаю - как люди переносят холод от сидений в авто без встроенных, либо накидных подогревов задниц
Помню, что бравые пилоты с Аннушек, носили с собой сидушки с лодок. Слегка надул, сунул под полярку, а уже в самолёте – положил под жопу. И мягко и тепло. smile.gif


--------------------
Политики – словно подгузники. Их надо почаще менять. И по той же причине.
"Плохую власть выбирают хорошие люди, которые не ходят на выборы". Winston Churchill ©
"Не все люди знают реальную ситуацию в мире, экономике и безопасности.
Многие обыватели верят тому, что они читают в газетах и видят по телевизору. И меня это беспокоит".
С.Б. Иванов ©
Еду на Yedoo!

Спасибо! — Voldemar
Перейти в начало страницы
 
+
kolbasatnik
сообщение 20.12.2017, 10:06
Сообщение #23


Группа: Активный участник
Сообщений: 2960
Спасибо: 1189




Цитата(Babay @ 20.12.2017, 6:08) *
Пробовал. Реле - грубо, для электриков. Надо двухканальный оптрон (два сидения) в включением в максимальный режим для прогрева и последующим переходом в заранее установленный режим. Жена довольна. Да, кстати - Емеля-2. Оптронов могу дать.


Так я не совсем четко все обдумал. Реле, или еще чем, можно подать электричество на гнездо АСС, куда включен Емеля. Но, поскольку у меня включаемый регулируемый, нужно еще и один раз кнопку на нем самом нажать. И только после включения питания.


--------------------
АвтоМобиль СГВ XL-7 2003 г.в., 2,7 л. АКПП
Ну, ты, звони, ежели чего.... 91Ч852О655
Перейти в начало страницы
 
+
Faust
сообщение 20.12.2017, 10:13
Сообщение #24


Группа: Активный участник
Сообщений: 6319
Спасибо: 4042




в выдаваемых пилотам анушек ползунках вообще пофиг должно было быть - хоть на железную бочку в -40 садись.


--------------------
8 914 860 93 (99)

"...в России лучшим комментарием к кодексу Гражданскому является кодекс Уголовный..."
Перейти в начало страницы
 
+
Voldemar
сообщение 20.12.2017, 11:37
Сообщение #25


Группа: Активный участник
Сообщений: 4937
Спасибо: 5240




Faust, ты не пробовал в этих ползунках в кабине Ан-2 устроиться? )
На сколько помню, их только "слоны" юзали, при работе на улице в самые сильные морозы.
Ну и на рыбалку народ пользовал, у них кстати, покрой такой, что в задней части при желании можно было бы ещё пару рюкзаков с бутором разместить... ) некоторые из них детям шубы пошивали.

Я когда их получил - один раз только померил, и потом провалялись в кладовке до увольнения. На улице работал в обычных ватниках, в них и под колонками можно было лежать на снегу, и на опору влезть, и грели хорошо.

Сообщение отредактировал Voldemar - 20.12.2017, 11:40


--------------------
И только когда жизнь его стала клониться к закату, человек понял главную истину. Жизнь не имеет смысла. Смысл – это жёсткие рамки, в которые мы загоняем друг друга. Говорим – смысл в деньгах. Говорим – смысл в любви. Говорим – смысл в вере. Но всё это – лишь рамки. В жизни нет смысла – и это её высший смысл и высшая ценность. В жизни нет финала, к которому ты обязан прийти – и это важнее тысячи придуманных смыслов. (С)
Перейти в начало страницы
 
+

2 страниц V   1 2 >
Быстрый ответОтветить в данную темуНачать новую тему
1 чел. читают эту тему (гостей: 1, скрытых пользователей: 0)
Пользователей: 0

 



RSS Текстовая версия Сейчас: 16.4.2026, 16:49