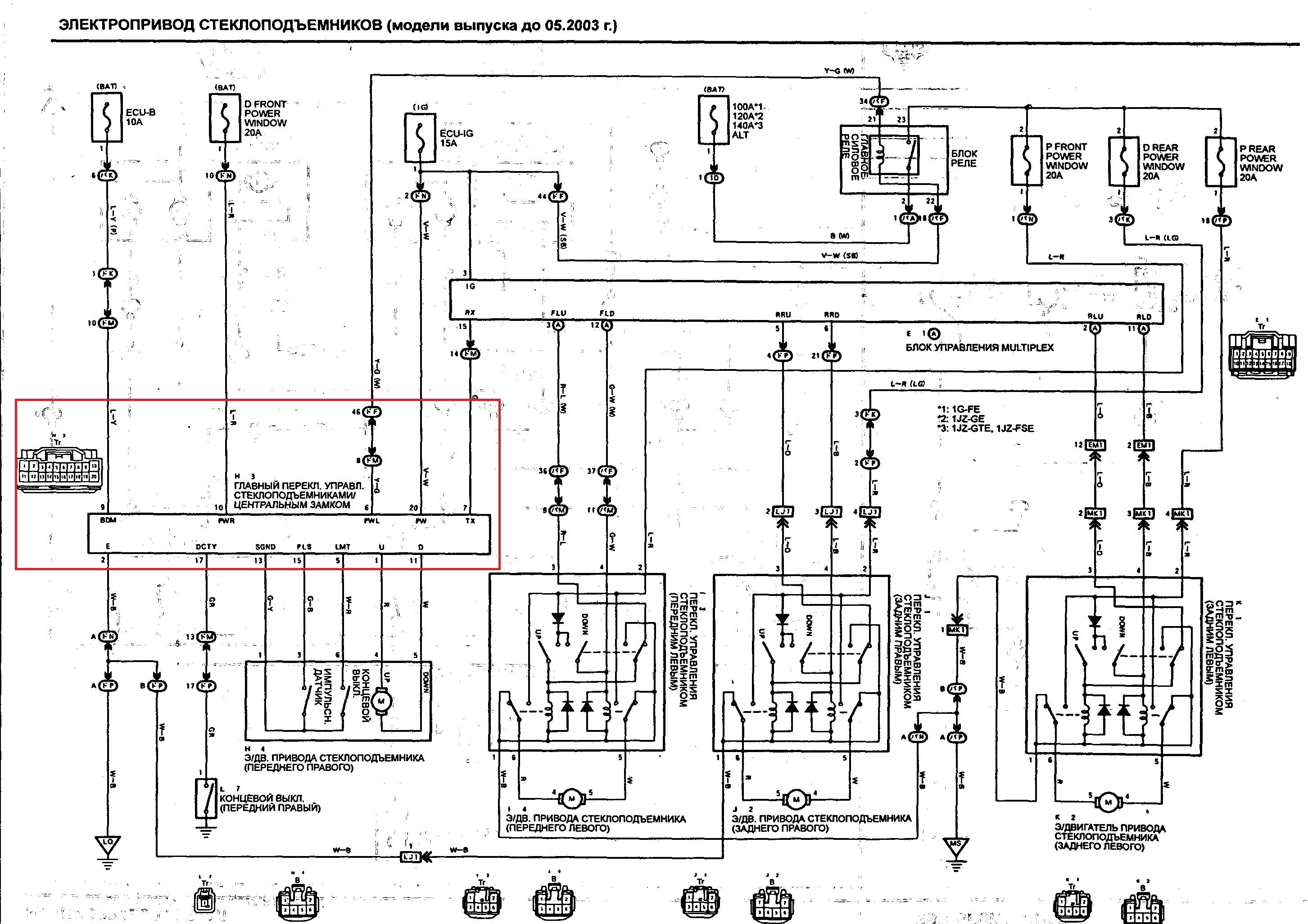
Подскажите, кто знает. Есть авто вот с таким пультом управления стёклами ( находится на водительской двери)
Схему прилагаю
Нажмите для просмотра прикрепленного файла
Кнопка управления водительским стеклом имеет режим AUTO ( т.е. полное опускание/ поднятие стекла нажатием кнопки до упора вниз/вверх)
И есть аналогичный пульт с такой же машины, НО все кнопки управления стёклами на нём имеют режим Auto.
Так же есть эл. схема
Нажмите для просмотра прикрепленного файла Нажмите для просмотра прикрепленного файла
При сравнении схем, наблюдаются некоторые отличия.
Так вот вопрос: реально ли поставить пульт (назовём его ALL AUTO) на авто описаное в начале поста ?
