Хостинг и техническая поддержка -- компания Маглан
автоклуб M49

Здравствуйте, гость ( Вход | Регистрация )

10 страниц V  « < 2 3 4 5 6 > »   
Ответить в данную темуНачать новую тему
Своими руками (или дурь в залобье)
Andrey69
сообщение 8.4.2018, 13:45
Сообщение #76


Группа: Активный участник
Сообщений: 1813
Спасибо: 2486




Цитата(dissector @ 8.4.2018, 1:16) *
сфотай чип ЦАПа ? )

Руслан,сегодня нет возможности,тут вот мануал на него,посмотри сам
Ярослав,спасибо,созвонимся,дело к тебе есть тоже *радиоэлектронное*
Прикрепленные файлы
Прикрепленный файл  sony_str_de585_ver1.0.pdf ( 5.19 мегабайт ) Кол-во скачиваний: 487
 


--------------------
Ремонт радиостанций,усилителей,сабвуферов 89246918246
Перейти в начало страницы
 
+
dissector
сообщение 8.4.2018, 13:57
Сообщение #77


Группа: Активный участник
Сообщений: 34720
Спасибо: 20415




Akm4527 ... Неплохо )
Только цап развели, ацп нет, а как тогда ? :-)


--------------------
наружная реклама, световые буквы, подсветка зданий
р.м. Линия, с 1992 года наша работа
тел. 89148V83356

мир не такой как кажется, старший сержант? (с)
Перейти в начало страницы
 
+
Andrey69
сообщение 8.4.2018, 13:59
Сообщение #78


Группа: Активный участник
Сообщений: 1813
Спасибо: 2486




Да как обычно по масти,чего не знаешь что ли? biggrin.gif
Цап-царап в действии


--------------------
Ремонт радиостанций,усилителей,сабвуферов 89246918246
Перейти в начало страницы
 
+
dissector
сообщение 8.4.2018, 14:10
Сообщение #79


Группа: Активный участник
Сообщений: 34720
Спасибо: 20415




Все ждал пока скажешь ))))
Цапцарапыч


--------------------
наружная реклама, световые буквы, подсветка зданий
р.м. Линия, с 1992 года наша работа
тел. 89148V83356

мир не такой как кажется, старший сержант? (с)
Перейти в начало страницы
 
+
Andrey69
сообщение 9.4.2018, 19:27
Сообщение #80


Группа: Активный участник
Сообщений: 1813
Спасибо: 2486




Ну что,пока суть да дело,пока выйдем (а выйдем стопудово) из творческого тупика попросили сваять усилитель для наушников в качестве клона усилителя Lehmann. Посмотрел на ценничек готовых от 37000 до 146000,удивился. Погнали. Три вечерка с перекурами и матом и готово biggrin.gif Когда сделал-включил,настроил,подобрал режимы частично понял ценник. Частично. Играет эта потеха прекрасно. Если наушники воткнуть в ноутбук или звуковуху,а потом через этот усилитель-много звуков появляется. Но ценник очень и очень задран у заводских,этого не отнять. Может делали девственницы на склонах Фудзиямы во время цветения сакуры? Без корпуса выглядит так

Эскизы прикрепленных изображений
Прикрепленное изображение
Прикрепленное изображение
 


--------------------
Ремонт радиостанций,усилителей,сабвуферов 89246918246
Перейти в начало страницы
 
+
uvil
сообщение 9.4.2018, 20:10
Сообщение #81


Группа: Участник
Сообщений: 57
Спасибо: 20

Авто: Mazda Familia 1994 BHALP Z5



Andrey69 класс. А схемку мона подсмотреть?
Перейти в начало страницы
 
+
Andrey69
сообщение 9.4.2018, 20:19
Сообщение #82


Группа: Активный участник
Сообщений: 1813
Спасибо: 2486




Да конечно. Ничего сверх,но-требует качественных комплектующих. Да короче...сделаю себе тоже,пошло все,хоть что то для себя,а то совсем сапожник без сапог biggrin.gif
Эскизы прикрепленных изображений
Прикрепленное изображение
Прикрепленное изображение

 


--------------------
Ремонт радиостанций,усилителей,сабвуферов 89246918246
Перейти в начало страницы
 
+
uvil
сообщение 9.4.2018, 20:32
Сообщение #83


Группа: Участник
Сообщений: 57
Спасибо: 20

Авто: Mazda Familia 1994 BHALP Z5



А я застрял со сборкой поворотников. На али второй раз заказываю 2N2222 . Первый раз деньги вернули(2 месяца шли,потерялись).Второй раз заказал,второй месяц идут.... mellow.gif
Перейти в начало страницы
 
+
Andrey69
сообщение 9.4.2018, 20:39
Сообщение #84


Группа: Активный участник
Сообщений: 1813
Спасибо: 2486




Чего в них такого? Другие можно поставить
ссылка доступна только зарегистрированным


--------------------
Ремонт радиостанций,усилителей,сабвуферов 89246918246
Перейти в начало страницы
 
+
uvil
сообщение 9.4.2018, 20:55
Сообщение #85


Группа: Участник
Сообщений: 57
Спасибо: 20

Авто: Mazda Familia 1994 BHALP Z5



Нужны SMD. Заказал,осталось ждать,может к лету соберу)
Перейти в начало страницы
 
+
Andrey69
сообщение 9.4.2018, 21:08
Сообщение #86


Группа: Активный участник
Сообщений: 1813
Спасибо: 2486




А..понял. С этими мандавошками сам иногда мучаюсь biggrin.gif


--------------------
Ремонт радиостанций,усилителей,сабвуферов 89246918246
Перейти в начало страницы
 
+
Andrey69
сообщение 12.4.2018, 11:29
Сообщение #87


Группа: Активный участник
Сообщений: 1813
Спасибо: 2486




smile.gif
Эскизы прикрепленных изображений
Прикрепленное изображение
 


--------------------
Ремонт радиостанций,усилителей,сабвуферов 89246918246
Перейти в начало страницы
 
+
uvil
сообщение 12.4.2018, 11:44
Сообщение #88


Группа: Участник
Сообщений: 57
Спасибо: 20

Авто: Mazda Familia 1994 BHALP Z5



Сборка для себя?
Перейти в начало страницы
 
+
Andrey69
сообщение 12.4.2018, 12:08
Сообщение #89


Группа: Активный участник
Сообщений: 1813
Спасибо: 2486




Да,этот оставлю. Еще один один в Венгрию поедет,парень тут один вышел на меня по радиотехническому форуму. Сортир форинтами обклеим? smile.gif

Эскизы прикрепленных изображений
Прикрепленное изображение
 


--------------------
Ремонт радиостанций,усилителей,сабвуферов 89246918246
Перейти в начало страницы
 
+
uvil
сообщение 12.4.2018, 13:48
Сообщение #90


Группа: Участник
Сообщений: 57
Спасибо: 20

Авто: Mazda Familia 1994 BHALP Z5



На экспорт в Венгрию с Магадана,зачёт!
Спасибо! — Andrey69
Перейти в начало страницы
 
+
Andrey69
сообщение 12.4.2018, 18:59
Сообщение #91


Группа: Активный участник
Сообщений: 1813
Спасибо: 2486




Спасибо. Главное чтобы не вышло это biggrin.gif
Эскизы прикрепленных изображений
Прикрепленное изображение
 


--------------------
Ремонт радиостанций,усилителей,сабвуферов 89246918246
Перейти в начало страницы
 
+
uvil
сообщение 12.4.2018, 20:56
Сообщение #92


Группа: Участник
Сообщений: 57
Спасибо: 20

Авто: Mazda Familia 1994 BHALP Z5



НУ там как пойдёт)))
Перейти в начало страницы
 
+
Andrey69
сообщение 18.4.2018, 19:45
Сообщение #93


Группа: Активный участник
Сообщений: 1813
Спасибо: 2486




Парень с радиофорума сделал своими руками. Корпус оцените
Эскизы прикрепленных изображений
Прикрепленное изображение

 


--------------------
Ремонт радиостанций,усилителей,сабвуферов 89246918246
Спасибо! — MagON ObiVan rusinchic Voldemar
Перейти в начало страницы
 
+
uvil
сообщение 19.4.2018, 10:31
Сообщение #94


Группа: Участник
Сообщений: 57
Спасибо: 20

Авто: Mazda Familia 1994 BHALP Z5



Зачёт. При наличии лазерного и фрезерного гравера можно любые чудеса творить
Перейти в начало страницы
 
+
Andrey69
сообщение 19.4.2018, 13:11
Сообщение #95


Группа: Активный участник
Сообщений: 1813
Спасибо: 2486




Да,это точно smile.gif
Эскизы прикрепленных изображений
Прикрепленное изображение
 


--------------------
Ремонт радиостанций,усилителей,сабвуферов 89246918246
Перейти в начало страницы
 
+
uvil
сообщение 19.4.2018, 14:45
Сообщение #96


Группа: Участник
Сообщений: 57
Спасибо: 20

Авто: Mazda Familia 1994 BHALP Z5



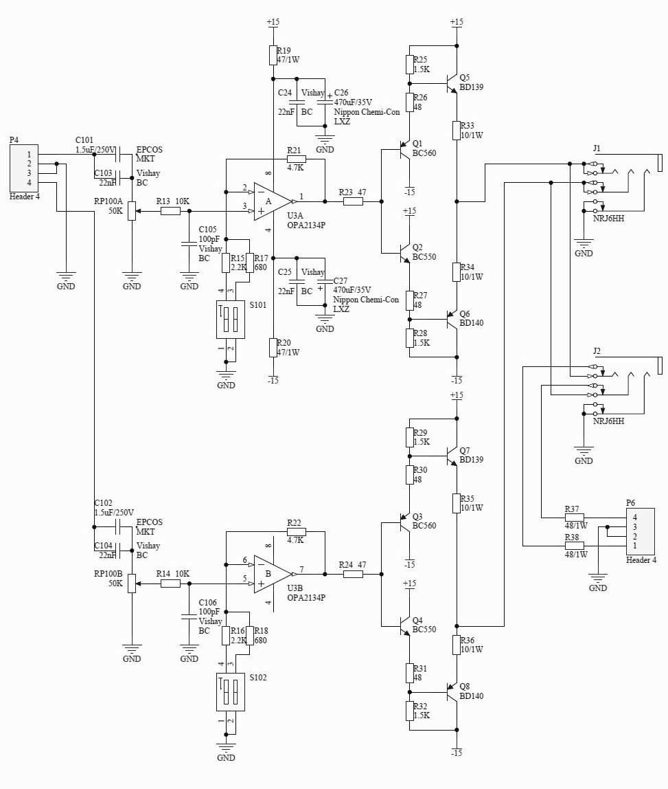
Andrey69,
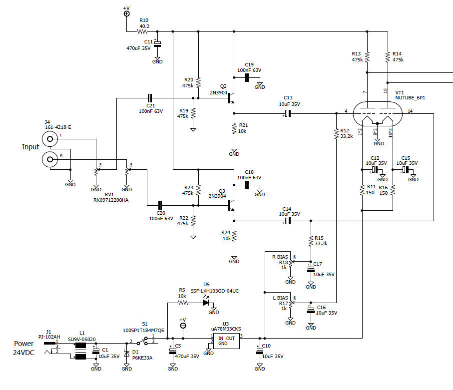
Как такая схема?
Вот сциль на лампу ссылка доступна только зарегистрированным

Сообщение отредактировал uvil - 19.4.2018, 14:50
Эскизы прикрепленных изображений
Прикрепленное изображение
 
Перейти в начало страницы
 
+
Andrey69
сообщение 19.4.2018, 19:59
Сообщение #97


Группа: Активный участник
Сообщений: 1813
Спасибо: 2486




Дружище.не стоит это затраченного времени


--------------------
Ремонт радиостанций,усилителей,сабвуферов 89246918246
Перейти в начало страницы
 
+
uvil
сообщение 19.4.2018, 20:11
Сообщение #98


Группа: Участник
Сообщений: 57
Спасибо: 20

Авто: Mazda Familia 1994 BHALP Z5



И лампа за 56 гринов
Перейти в начало страницы
 
+
Andrey69
сообщение 19.4.2018, 20:43
Сообщение #99


Группа: Активный участник
Сообщений: 1813
Спасибо: 2486




Очень мягко дурняк. ,,,уета из под ногтей biggrin.gif


--------------------
Ремонт радиостанций,усилителей,сабвуферов 89246918246
Перейти в начало страницы
 
+
Andrey69
сообщение 25.5.2018, 12:08
Сообщение #100


Группа: Активный участник
Сообщений: 1813
Спасибо: 2486




Всвязи с семейными обстоятельствами-болезнью и смертью матери на некоторое время прервался и еще прервусь..придти в себя. Позже обязательно продолжим. Обязательно

Сообщение отредактировал Andrey69 - 25.5.2018, 12:09


--------------------
Ремонт радиостанций,усилителей,сабвуферов 89246918246
Перейти в начало страницы
 
+

10 страниц V  « < 2 3 4 5 6 > » 
Быстрый ответОтветить в данную темуНачать новую тему
6 чел. читают эту тему (гостей: 6, скрытых пользователей: 0)
Пользователей: 0

 



RSS Текстовая версия Сейчас: 3.11.2025, 20:19