Хостинг и техническая поддержка -- компания Маглан
автоклуб M49

Здравствуйте, гость ( Вход | Регистрация )

10 страниц V   1 2 3 > »   
Ответить в данную темуНачать новую тему
Своими руками (или дурь в залобье)
Andrey69
сообщение 24.11.2017, 12:27
Сообщение #1


Группа: Активный участник
Сообщений: 1813
Спасибо: 2486




Решил попробовать сваять усилитель для автомобиля. Схему выбрал на микросхеме LM1875
Эскизы прикрепленных изображений
Прикрепленное изображение
 


--------------------
Ремонт радиостанций,усилителей,сабвуферов 89246918246
Спасибо! — Гидр
Перейти в начало страницы
 
+
rusinchic
сообщение 25.11.2017, 10:12
Сообщение #2


Группа: Активный участник
Сообщений: 5844
Спасибо: 2345




Андрей, а не проще выбратьпо предпочтениям и купить готовый илинабор для уся например на алике или екитсе?
Спасибо! — Andrey69
Перейти в начало страницы
 
+
Andrey69
сообщение 25.11.2017, 18:18
Сообщение #3


Группа: Активный участник
Сообщений: 1813
Спасибо: 2486




Конечно проще. Имеется в итоге
1.Кривая разводка платы
2.Детали из разряда *сделано пьяными китайскими пэтэушниками в подвале*
3.Медь на текстолите с примесями (сам же наверняка сталкивался с трудностями при залуживании,верно? smile.gif ) И откель хороший звук?
4.Экономия на питании
5.Ну в том же духе можно продолжать
Вообще я делал на LM-ке домашнии усилители,при правильном подходе играют хорошо. Вотъ кстати и подопытные. Куплено не на али за фантики,а в нормальном месте за деньги smile.gif
Эскизы прикрепленных изображений
Прикрепленное изображение
 


--------------------
Ремонт радиостанций,усилителей,сабвуферов 89246918246
Спасибо! — rusinchic STARGAZER
Перейти в начало страницы
 
+
Andrey69
сообщение 26.11.2017, 18:44
Сообщение #4


Группа: Активный участник
Сообщений: 1813
Спасибо: 2486




Пока бдсм набирает обороты,ну вот к примеру плата из инета. Что видим?
1.Малые емкости по питанию-не гут
2.Отсутствие катушки на выходе-не гут
3.Длинные дорожки питания-не гут
4.Электролитический конденсатор на входе-не гут
5.Электролитический конденсатор (который 22 микрофарада) минимальная емкость по даташиту в цепи обратной связи-не гут
6.Предохранители на этой плате лишние,должны стоять в другом месте-не гут
А ведь все это влияет на звук. При этом плата рабочая


Эскизы прикрепленных изображений
Прикрепленное изображение
 


--------------------
Ремонт радиостанций,усилителей,сабвуферов 89246918246
Перейти в начало страницы
 
+
Andrey69
сообщение 27.11.2017, 11:43
Сообщение #5


Группа: Активный участник
Сообщений: 1813
Спасибо: 2486




Выбрал плату. Вариант стерео. Автор мой знакомый по радиотехническому форуму с позывным Azziop smile.gif Ну мы ее немножко переделаем без ущерба конечно
Эскизы прикрепленных изображений
Прикрепленное изображение

 


--------------------
Ремонт радиостанций,усилителей,сабвуферов 89246918246
Перейти в начало страницы
 
+
Andrey69
сообщение 27.11.2017, 20:06
Сообщение #6


Группа: Активный участник
Сообщений: 1813
Спасибо: 2486




Ну что,начинаем арбайт над платой. Существует программа для рисования-печатания плат,называется Sprint-layot. Печатать нужно на глянцевой бумаге на лазерном принтере,к примеру старые журналы вполне себе пойдут smile.gif
Эскизы прикрепленных изображений
Прикрепленное изображение
 


--------------------
Ремонт радиостанций,усилителей,сабвуферов 89246918246
Спасибо! — rusinchic
Перейти в начало страницы
 
+
Filmor
сообщение 27.11.2017, 21:59
Сообщение #7


Группа: Активный участник
Сообщений: 13555
Спасибо: 10123

Авто: UAZ 3163 Patriot 2021 Intrea Yedoo Mezeq 2012



гм... а я думаю. зачем у меня по столом старые журналы smile.gif


--------------------
Политики – словно подгузники. Их надо почаще менять. И по той же причине.
"Плохую власть выбирают хорошие люди, которые не ходят на выборы". Winston Churchill ©
"Не все люди знают реальную ситуацию в мире, экономике и безопасности.
Многие обыватели верят тому, что они читают в газетах и видят по телевизору. И меня это беспокоит".
С.Б. Иванов ©
Еду на Yedoo!

Спасибо! — Andrey69
Перейти в начало страницы
 
+
Andrey69
сообщение 27.11.2017, 22:12
Сообщение #8


Группа: Активный участник
Сообщений: 1813
Спасибо: 2486




Filmor, а и не подозревал,да? smile.gif Только хардкор


--------------------
Ремонт радиостанций,усилителей,сабвуферов 89246918246
Перейти в начало страницы
 
+
ObiVan
сообщение 27.11.2017, 22:23
Сообщение #9


Группа: Активный участник
Сообщений: 1115
Спасибо: 657




Круто! Буду следить. Расскажите как будете переносить рисунок на плату? Там нужно химическую реакцию провести, протравить дорожки. Как это будет?


--------------------
Choose what is right, not what is easy. Ordnung und arbeiten. Do the best you can and no regrets.
Половина усилий даст не половину результата, а нулевой результат.
Когда все крысы убежали, корабль перестал тонуть" (с)
Перейти в начало страницы
 
+
MagON
сообщение 27.11.2017, 22:25
Сообщение #10


Группа: Активный участник
Сообщений: 5087
Спасибо: 2562




Перенос - утюгом, травление чем угодно, хоть хлорным, хоть перекисью


--------------------

Перейти в начало страницы
 
+
Andrey69
сообщение 27.11.2017, 22:30
Сообщение #11


Группа: Активный участник
Сообщений: 1813
Спасибо: 2486




ObiVan, травить будем хлорным железом. Но это потом. Сперва процесс,все расскажу постепенно,обещаю smile.gif


--------------------
Ремонт радиостанций,усилителей,сабвуферов 89246918246
Спасибо! — ObiVan
Перейти в начало страницы
 
+
Filmor
сообщение 27.11.2017, 22:31
Сообщение #12


Группа: Активный участник
Сообщений: 13555
Спасибо: 10123

Авто: UAZ 3163 Patriot 2021 Intrea Yedoo Mezeq 2012



Andrey69, канешна не подозревал... Я читал их... читал... а с ними вот как надо...


--------------------
Политики – словно подгузники. Их надо почаще менять. И по той же причине.
"Плохую власть выбирают хорошие люди, которые не ходят на выборы". Winston Churchill ©
"Не все люди знают реальную ситуацию в мире, экономике и безопасности.
Многие обыватели верят тому, что они читают в газетах и видят по телевизору. И меня это беспокоит".
С.Б. Иванов ©
Еду на Yedoo!

Перейти в начало страницы
 
+
Andrey69
сообщение 27.11.2017, 22:36
Сообщение #13


Группа: Активный участник
Сообщений: 1813
Спасибо: 2486




Filmor, жестко biggrin.gif
MagON, Антоха привет,чо все рассекретил,все постепенно biggrin.gif


--------------------
Ремонт радиостанций,усилителей,сабвуферов 89246918246
Перейти в начало страницы
 
+
MagON
сообщение 27.11.2017, 22:52
Сообщение #14


Группа: Активный участник
Сообщений: 5087
Спасибо: 2562




Andrey69, извиняйте, вырвалось biggrin.gif


--------------------

Перейти в начало страницы
 
+
Filmor
сообщение 27.11.2017, 23:25
Сообщение #15


Группа: Активный участник
Сообщений: 13555
Спасибо: 10123

Авто: UAZ 3163 Patriot 2021 Intrea Yedoo Mezeq 2012



MagON, да всё... ппц тебе.


--------------------
Политики – словно подгузники. Их надо почаще менять. И по той же причине.
"Плохую власть выбирают хорошие люди, которые не ходят на выборы". Winston Churchill ©
"Не все люди знают реальную ситуацию в мире, экономике и безопасности.
Многие обыватели верят тому, что они читают в газетах и видят по телевизору. И меня это беспокоит".
С.Б. Иванов ©
Еду на Yedoo!

Перейти в начало страницы
 
+
dissector
сообщение 28.11.2017, 0:09
Сообщение #16


Группа: Активный участник
Сообщений: 34720
Спасибо: 20415




Это гитара Малькома Янга из АС/ДС
А что сделал ты? )))
Эскизы прикрепленных изображений
Прикрепленное изображение
 


--------------------
наружная реклама, световые буквы, подсветка зданий
р.м. Линия, с 1992 года наша работа
тел. 89148V83356

мир не такой как кажется, старший сержант? (с)
Перейти в начало страницы
 
+
Filmor
сообщение 28.11.2017, 0:16
Сообщение #17


Группа: Активный участник
Сообщений: 13555
Спасибо: 10123

Авто: UAZ 3163 Patriot 2021 Intrea Yedoo Mezeq 2012



dissector, ты стырил гитару Янга?


--------------------
Политики – словно подгузники. Их надо почаще менять. И по той же причине.
"Плохую власть выбирают хорошие люди, которые не ходят на выборы". Winston Churchill ©
"Не все люди знают реальную ситуацию в мире, экономике и безопасности.
Многие обыватели верят тому, что они читают в газетах и видят по телевизору. И меня это беспокоит".
С.Б. Иванов ©
Еду на Yedoo!

Перейти в начало страницы
 
+
Гидр
сообщение 28.11.2017, 1:51
Сообщение #18


Группа: Активный участник
Сообщений: 22292
Спасибо: 18361




Цитата(ObiVan @ 27.11.2017, 21:23) *
Круто! Буду следить. Расскажите как будете переносить рисунок на плату? Там нужно химическую реакцию провести, протравить дорожки. Как это будет?

сначала на компе делается разводка. для этого есть проги. затем она печатается на лазерном принтере на мелованной бумаге или кальке. пару проб разной бумаги опытным путём. обычная не подойдёт. не всякая мелованная подойдёт. консистенция нужна примерно как у журнала Огонёк. листок с распечаткой приглаживается к печатной плате утюгом. потом под водой смывается пальчиками бумага. всё что было в порошке, т.е. дорожки, - остаются держаться. плата опускается в хлорное железо, медь тает, дорожки остаются. я даже скажу - остаются напечатанные тоненьким шрифтом пояснительные надписи. далее дырки (отверстия) сверлятся шуриком. я их поэтому в проге делал пожирнее.

технология просто отпад!

прим. нужно учитывать зеркальность монтажа. т.е. вида платы "сверху" и снизу. я так прокололся, пришлось микросхемы со стороны дорожек запаявать.

Сообщение отредактировал Гидр - 28.11.2017, 1:56


--------------------
Разница других исполнителей, которые пытались перепеть эту песню, в том, что они поют как будто идут на войну, а Цой - будто вернулся оттуда.
Спасибо! — Filmor ObiVan
Перейти в начало страницы
 
+
Andrey69
сообщение 28.11.2017, 12:32
Сообщение #19


Группа: Активный участник
Сообщений: 1813
Спасибо: 2486




Цитата
Это гитара Малькома Янга из АС/ДС
А что сделал ты? )))
У меня внучка есть tongue.gif
Цитата
консистенция нужна примерно как у журнала Огонёк
а с тебя коньяк за консистенцию


--------------------
Ремонт радиостанций,усилителей,сабвуферов 89246918246
Перейти в начало страницы
 
+
Voldemar
сообщение 28.11.2017, 13:23
Сообщение #20


Группа: Активный участник
Сообщений: 4937
Спасибо: 5240




Цитата(Andrey69 @ 27.11.2017, 19:06) *
Ну что,начинаем арбайт над платой. Существует программа для рисования-печатания плат,называется Sprint-layot. Печатать нужно на глянцевой бумаге на лазерном принтере,к примеру старые журналы вполне себе пойдут smile.gif


Андрей, фу, как пОшло! Прям метросексуализм радиоэлектронный!
Нет, чтобы резачком там, выточенным из обломка ножовочного полотна... ну или бормашинкой хотя бы...
Предварительно наклеив медную фольгу на простой гетинакс... )
А ещё круче - навесным, с последующей заливкой эпоксидкой в спичечном коробке... )

Сообщение отредактировал Voldemar - 28.11.2017, 13:24


--------------------
И только когда жизнь его стала клониться к закату, человек понял главную истину. Жизнь не имеет смысла. Смысл – это жёсткие рамки, в которые мы загоняем друг друга. Говорим – смысл в деньгах. Говорим – смысл в любви. Говорим – смысл в вере. Но всё это – лишь рамки. В жизни нет смысла – и это её высший смысл и высшая ценность. В жизни нет финала, к которому ты обязан прийти – и это важнее тысячи придуманных смыслов. (С)
Перейти в начало страницы
 
+
Filmor
сообщение 28.11.2017, 13:29
Сообщение #21


Группа: Активный участник
Сообщений: 13555
Спасибо: 10123

Авто: UAZ 3163 Patriot 2021 Intrea Yedoo Mezeq 2012



Voldemar, старовер какой-то…
Перейти в начало страницы
 
+
Andrey69
сообщение 28.11.2017, 13:29
Сообщение #22


Группа: Активный участник
Сообщений: 1813
Спасибо: 2486




Пойденный этап,Володя. Гетинакс то сейчас весь старый,медь отслаивается при пайке. Вечерком новый виток бдсм


--------------------
Ремонт радиостанций,усилителей,сабвуферов 89246918246
Перейти в начало страницы
 
+
Voldemar
сообщение 28.11.2017, 13:38
Сообщение #23


Группа: Активный участник
Сообщений: 4937
Спасибо: 5240




Цитата(Andrey69 @ 28.11.2017, 12:29) *
Пойденный этап,Володя.

Да я шучу. Этот этап в УПНРиА закончился ещё в 80-х, когда на уч. "Электроника" собрали станок фотосчитывающий по переносу рисунка с бумаги на гетинакс сразу спецчернилами. Ну и на принтерах уже в середине 90-х доступно стало.


--------------------
И только когда жизнь его стала клониться к закату, человек понял главную истину. Жизнь не имеет смысла. Смысл – это жёсткие рамки, в которые мы загоняем друг друга. Говорим – смысл в деньгах. Говорим – смысл в любви. Говорим – смысл в вере. Но всё это – лишь рамки. В жизни нет смысла – и это её высший смысл и высшая ценность. В жизни нет финала, к которому ты обязан прийти – и это важнее тысячи придуманных смыслов. (С)
Спасибо! — rusinchic
Перейти в начало страницы
 
+
Andrey69
сообщение 28.11.2017, 13:44
Сообщение #24


Группа: Активный участник
Сообщений: 1813
Спасибо: 2486




А чего шучу. Дорогие ламповые усилители собирают навесным монтажем толстой медяшкой. Я тоже делал ламповый усилитель. Не знал,что он дорогой. Получился недорогой biggrin.gif


--------------------
Ремонт радиостанций,усилителей,сабвуферов 89246918246
Спасибо! — Jumanji
Перейти в начало страницы
 
+
Andrey69
сообщение 28.11.2017, 19:48
Сообщение #25


Группа: Активный участник
Сообщений: 1813
Спасибо: 2486




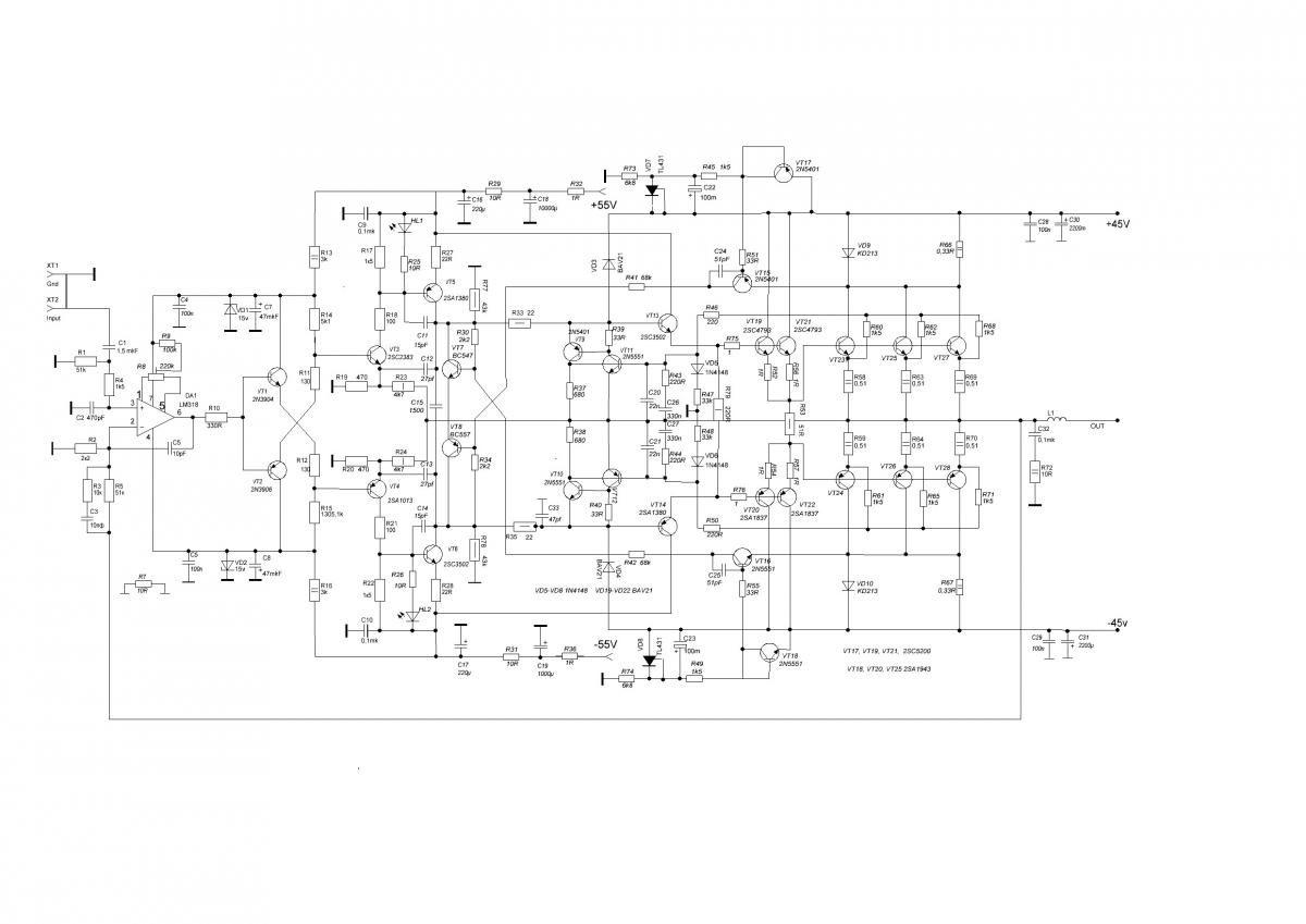
В качестве небольшого отступления. Вотъ схема оконечного усилителя современного ресивера Pioneer vsx-821. Первая схема авторская конструкция усилителя,который правильно спроэктирован. Чувствуете разницу? biggrin.gif Такова аудиоиндустрия сегодня..

Сообщение отредактировал Andrey69 - 28.11.2017, 19:49
Эскизы прикрепленных изображений
Прикрепленное изображение
Прикрепленное изображение

 


--------------------
Ремонт радиостанций,усилителей,сабвуферов 89246918246
Перейти в начало страницы
 
+

10 страниц V   1 2 3 > » 
Быстрый ответОтветить в данную темуНачать новую тему
1 чел. читают эту тему (гостей: 1, скрытых пользователей: 0)
Пользователей: 0

 



RSS Текстовая версия Сейчас: 17.12.2025, 20:42